[最新] 1980 yamaha srx 440 parts 213438-1980 yamaha srx 440 parts
12/07/19 · An advertisement for the 1980 Yamaha SRX The new 440 engine was engineered to run longer than what was needed for oval sprint racing Using the 1977 SRX engine base and crankshaft with different cylinders that featured less aggressive port timing, the new engine had smaller Mikuni VM series carbs, a lower 77 to 1 compression ratio and a less aggressive ignition21/02/ · THIS SNOWMOBILE HAS BEEN SOLD THANK YOU FOR YOUR INTEREST!1980 yamaha srx 440 for sale 1980 yamaha srx 440 for saleThis video features a vintage snowmobi1 product rating 1980 80 YAMAHA SRX 440 Left Or Right Cylinder Jug CORE FOR PARTS NOT WORKING C $8733 Top Rated Seller Top Rated Seller Buy It Now From United States S p o n s o r e d 78 79 80 Yamaha Srx440 Srx 440 Oem Stator Pulse Generator Pick Up Coil Flywheel PreOwned C $ Top Rated Seller Top Rated Seller or Best Offer From United States C
1979 Yamaha Srx 440 Hobbiesxstyle
1980 yamaha srx 440 parts
1980 yamaha srx 440 parts-Shop our large selection of 1980 Yamaha SRX440D OEM Parts, original equipment manufacturer parts and more online or call at (231)Yamaha SRX 440 VIN 8G 1980 Yamaha SRX 440 VIN 8G 1981 Yamaha SRX 440 ARCTIC CAT 1973 Arctic Cat El Tigre 440 (Free Air) 1975 Arctic Cat Cheetah 400 (Later converted to twin carburetors) 1976 Arctic Cat Cheetah 440 "My first sled" 1980 Arctic Cat El Tigre 6000 VIN (500 cc liquid) 1981 Arctic Cat El Tigre 6000 VIN (500 cc liquid)


Yamaha Srx 440 Light Weights Parts Page 3 Line 17qq Com
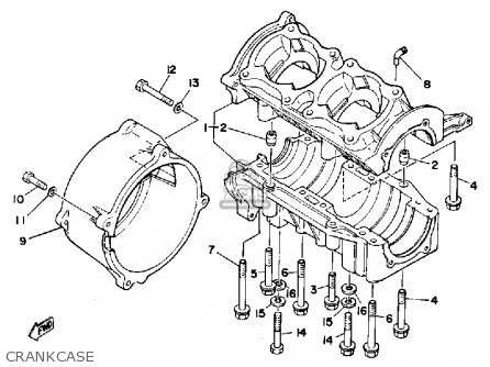
(1) 1980 Yamaha SRX 440 crankcase assembly, Yamaha part # 8K Whether you are a vintage Yamaha SRX owner, collector, racer or looking for a parts, I think you will find this case to be a great buy and find!!(1) 1 product ratings Pair 1978 1979 80 Yamaha Srx 440 Cylinders P/N #8G1 product rating Wiseco 22M Piston Kit, Standard Bore 6850mm Yamaha SRX 440 (1978 1980)
Original 1980 Yamaha SRX 440 Parts Search using manufacturer microfiche assembly diagrams Log in Free Shipping!CALL 138 Search RIDING GEAR PARTS TIRES ACCESSORIES BBNEWS SHOP HOLIDAY INSANITY MY GARAGE MY CART Shop by Your Machine Machine History 1 1980 Yamaha28/01/09 · 1980 srx 440 with 1979 power jet carbs need settings Save Share Reply V VMAX540 · Registered Joined Aug 8, 05 · 7 Posts #3 • Jan 21, 09 The 79s used as follows Mains #340, 0 turns out on the screw Pilots #30 02 needle jet 6DH13 jet needle #80 Power jet Hope this helps I would also check the clutching ,if it bogges down low you could have some worn clutch
Warm 35 degree day in March getting some break in laps around the yard after complete motor rebuildYamaha SRX440D 1980 spare parts gallery info set as my vehicle my vehicles share this page Shop for some of the best spare parts for SRX440D 1980 listed in the gallery Hard to find parts are also in stock now choose alternatives 2 gallery 3 parts lists show filters close filters machine section;Get the best deals on Snowmobile Body Parts for Yamaha SRX440 when you shop the largest online selection at eBaycom Free shipping on many items Browse your favorite brands affordable prices


Yamaha Srx 440 Light Weights Parts Page 3 Line 17qq Com


Snowmobile Parts For 1980 Yamaha Srx440 For Sale Ebay
Learn more SIGNIN QUESTIONS?(1) 1 product ratings Open Box Yamaha Srx440 Wiseco Piston Kit Yamaha 440 Srx 70 Ssr 2697Looking for 1980 Yamaha SRX 440 complete sleds or parts cash in hand • Cylinders (8G9) • Windshield • Radiator duct Let me know what you have, thanks !


1979 Yamaha Srx 440 Hobbiesxstyle


Snowmobile Parts For 1979 Yamaha Srx440 For Sale Ebay
Free shipping on many items!For Sale a Nos still in the package of Miscellaneous parts for 1980 Yamaha Snowmobiles One Clutch Collar Part# 8K 1980 SRX 440 One Clutch Weight Part# 8K 1980 SRX 440 Three Sliders Part# 8R 19 SR 540 Good Luck Bidding I will ship to Canada Vintage Yamaha Snowmobile NOS SRX 440 Head Gasket Lot SRX 340 GPX 8 Here we have a lot of NOS 7680 SRX 340/440Yamaha SRX440D 1980 parts list Access eight hundred thirtynine spare parts listed in these schematics This page contains forty unique part list schematics This SHROUD fiche contains the largest amount of spare parts


Yamaha Srx440 1976 Parts Lists And Schematics


Yamaha Srx 440 340 en Racing Pipes
Please email me if you have any questions and and thank you,Best selection and great deals for 1980 Yamaha SRX 440 items Dennis Kirk carries more 1980 Yamaha SRX 440 products than any other aftermarket vendor and we have them all at the lowest guaranteed prices Not only that, but we have them all instock and ready to ship today Dennis Kirk has been the leader in the powersports industry since 1969, so you can rest assured that weLooking for 1980 Yamaha SRX 440 complete sleds or parts cash in hand • Cylinders (8G9) • Windshield • Radiator duct Let me know what you have, thanks !


Snowmobile Parts For 1980 Yamaha Srx440 For Sale Ebay


Yamaha Srx Light Fast And Collectible Snowmobile Com
Vintage Yamaha Snowmobile NOS Exciter SRX 340/440 Track Sliders Here we have a NOS set of suspension track sliders for SRX and Exciters part number Used on Exciter 340's and 440's 7680 and the 76 SRX 340/440 and 7879 SRX 440's Shipping will be $3 in US but more to ship internationallyOn orders over $99 Order status;About Press Copyright Contact us Creators Advertise Developers Terms Privacy Policy & Safety How YouTube works Test new features Press Copyright Contact us Creators


Replacement Oem Parts For 1980 Yamaha Srx 440


Srx Models
Open Box Yamaha Srx440 Wiseco Piston Kit Yamaha 440 Srx 70 Ssr 2697 Open Box Special New (Other) 50 out of 5 stars 1 product rating Open Box Yamaha Srx440 Wiseco Piston Kit Yamaha 440 Srx 70 Ssr 2697 C $POWERSPORTSiD is your trusted source for all 1980 Yamaha SRX440 your Drivetrain & Transmission Parts needs We expand our inventory daily to give you the latest and greatest in Powersports products1 PISTON STD Not Available 8J Unavailable 2 PISTON RINGSET STD Not Available 8G Unavailable 3 PIN, PISTON 8H Ships in 45 to 51 days $19 $1315 Add 4 CIRCLIP In Stock $308 $296


Vintage Yamaha Snowmobile Parts Koch S Performance


Vintage Yamaha Snowmobile Parts Koch S Performance
Vintage yamaha snowmobile 1976 srx 440 engine this engine does not have a sierial# so you could put your# on it engine is completly rebuilt new koch's performance wiseco pistons wrist pin bearings seals gaskets,and the crank has been checked and in good condition this engine has original chrome bore in great condition all original 8a7 i do have the original 8a7 carbsrecoil and1980 Yamaha SRX 440 products Results per Page Filter Viewing Results 41 64 of 64 Sort By exact fit $ 5306 (2) SnoStuff 9 1/2 in Smoke Windshield Part # 2479 Mfg Part # exact fit $ 2246 Comet Cam Arm/N1 9642A1 Part # Mfg Part # 9642A1 exact fit $ 4495 Parts Unlimited OEMType Piston Assembly 685mm Bore Part #Shop thousands of Yamaha OEM Parts at BikeBanditcom Find OEM Yamaha motorcycle parts, everything from engine and transmission to suspension and body parts Buy Now, Pay Over Time!


Replacement Oem Parts For 1980 Yamaha Srx 440


Replacement Oem Parts For 1980 Yamaha Srx 440
Yamaha SRX 440, 9 Smoke Windshield Yamaha SRX 440 SRX440 1977 1979 1980, Condition: New: Brand : Sledpartsguy, Warranty : Unspecified Length: UPC : Does not apply, Yamaha SRX 440, Country/Region of Manufacture : United States: Manufacturer Part Number : , 1977 1979 1980, 9 Smoke Windshield 1977 1979 1980 Yamaha SRX 440 SRX440,1980 Yamaha SRX440 Maintenance Nothing beats a day hitting the trails, plowing through the snow, or having fun on the water, whatever possibilities your powersports vehicle can give We are here to fuel your fun and help you stay safe while you're out on your machine And whether you hauler has a worn or broken part or you want to add a few1 HEAD, CYLINDER 1 Not Available 8J Unavailable 2 B9ES NGK SCREW TOP B9ES In Stock $295 $2 Add 3 ORING Not Available Unavailable 4 GASKET, CYLINDER HEAD 1 Ships in 6 to 9 days


8f2 01 V Belt Ex340 440 Srx440 Snowmobil


Yamaha Srx 440 Light Weights Parts Page 3 Line 17qq Com
1980 Yamaha SRX440 Fuel Parts Carburetors Fuel Filters Fuel Pumps Fuel Petcocks Nitrous Oxide Systems Fuel Lines & Hoses Carburetor Rebuild Kits Carburetor Jets & Needles Fuel Gaskets & Seals Fuel System Mounts & Hardware Intake Manifolds Fuel Management Systems Exhaust Oxygen Sensors Fuel System Tools Gas Tanks Motorcycle Fuel Additives Show items13/12/06 · 1980 Motoski Supersonic 1978 Polaris TXL 340 (2) (2) 1977 Yamaha SRX 440's 1977 Arctic Kitty Cat 1975 Yamaha GPX 433 1971 Arctic Panther 399 1969 Skidoo Alpine Save Share Reply M marebal · Registered Joined Nov 22, 06 · 11 Posts Discussion Starter • #5 • Dec 9, 06 Got another problem I run the sled for a little while and then shut it off, I tried to startYamaha SRX parts Here is a most convenient way to purchase spare parts and accessories for the Yamaha SRX Technical diagrams are available for all range of part to facilitate perfect selection Spend some extra minutes to search out the replacement parts for your SRX


1980 Yamaha Srx 440 Revival Part 2 Youtube


Parts Unlimited Rear Shock 1976 Yamaha Gp300 1978 1979 Srx440 Snowmobile Shocks Suspension
Looking for 1980 Yamaha SRX 440 complete sleds or parts cash in hand • Cylinders (8G9) • Windshield • Radiator duct Let me know what you have, thanks !I couldn't track down the correct tie rod ends I bought tie rod ends for a 80 Exciter and modified them to work I'm starting to dig throughOEM is an acronym for original equipment manufacturer, which means that the 1980 Yamaha SRX440D OEM parts offered at BikeBanditcom are genuine Yamaha parts Genuine parts give 1980 Yamaha SRX440D owners the ability to repair or restore a broken down or damaged machine back to the condition it first appeared in on the showroom floor Our detailed 1980 Yamaha


Snowmobile Parts For 1981 Yamaha Srx440 For Sale Ebay


Replacement Oem Parts For 1980 Yamaha Srx 440
Check Availability Select your address # Description Price Qty;Favourite $1,000 1984 Yamaha SS440 Edmonton 18/03/21 New bars, new risers, newer track, new brakes, new belt, rebuilt the carb in December It's ready to go Motor has great compression, over 1psi in eachShop our large selection of 1980 Yamaha SRX440D OEM Parts, original equipment manufacturer parts and more online or call at (503)


Wrist Pin Bearing 1978 1980 Yamaha Srx 440 933 103 G0 Snowmobile Engines Components Auto Parts And Vehicles


Snowmobile Parts 440 Snowmobile
1980 & Newer Snowmobile Parts Machines The following list of machines are Parts Machines Only and will NOT be sold complete Inventory changes daily so contact us even if your machine is not listed Phone 403 Details Category (Snow 1980 & Newer) Skidoo 14 SKIDOO SUMMIT X 800 XM 154" 14 SKIDOO FREERIDE 800R 154" 12 SKIDOO SUMMIT SP 800 163"Yamaha Srx440 Wiseco Piston Kit Yamaha 440 Srx 70 Ssr 2697csm 22M (Fits 1978 Yamaha SRX440) 5 out of 5 stars (1) 1 product ratings Yamaha Srx440 Wiseco Piston Kit Yamaha 440 Srx 70 Ssr 2697csm 22M1980 Yamaha SRX 440 Snowmobile For Sale 1980 yamaha srx 440 for sale This video features a vintage snowmobile for sale It is a 1980 Yamaha SRX 440 in pristine condition This vintage Yamaha snowmobile is located in Lancaster, New Hampshire To learn more about this Yamaha SRX 440, call


Yamaha Srx440 1976 Parts Lists And Schematics


Replacement Oem Parts For 1980 Yamaha Srx 440
Favourite $1, 1979 yamaha exciter 440 Windsor Region 13/03/21 In pretty good shape hood has some fiberglass that's been repaired but its solid Runs great New sliders fuel lines and bearings Track isn't perfect but its1980 Yamaha SRX440 Suspension Parts Suspension Gaskets, Seals & IFP Shock Absorber Rebuild Kit by Fox® Upgrade your suspension with Fox performance shock absorbers to enjoy exceptional handling, traction, and braking, Designed using stateoftheart technology, they are proven to give you Schrader Valve by Fox®Get the best deal for Snowmobile Parts for 1980 Yamaha SRX440 from the largest online selection at eBaycom Browse our daily deals for even more savings!


Yamaha 440 Manual


Snowmobile Parts For 1980 Yamaha Srx440 For Sale Ebay
Check Availability Select your address # Description Price Qty;Wiseco 22M Piston Kit, Standard Bore 6850mm Yamaha SRX 440 (1978 1980) (Fits 1980 Yamaha SRX440) 5 out of 5 stars (1) 1 product ratings Wiseco 22M Piston Kit, Standard Bore 6850mm Yamaha SRX 440 (1978 1980) $85 Free shipping 48 new & refurbished from $85 Watch1980 SRX440 Deflection tolerance Left side Center Center (left) (right) Right side 003 mm 004mm 004mm 005 mm ( in) ( in) in) 1000 in) FWD c Check crankshaft assembly runout (misalignment of crankshaft parts) Dial gauge readings should be within specification Correct any misalignment by tapping the flywheel with a


Yamaha Srx440 1976 Parts Lists And Schematics


Snowmobile Shocks Suspension Parts Unlimited Front Shock 1976 1981 Yamaha Srx440 1976 Srx340 1977 1978 1979 Auto Parts And Vehicles Mydolphin App Com
NOS OEM 1980 Yamaha SRX 440 Snowmobile Clutch Weight & Collar 8K $ 995 Buy It Now $4 Shipping Condition New Location Youngsville,NY,USA 🏁 79 YAMAHA SRX 440 Snowmobile Poster vintage sled srx440 SRX LIFE $ 21 Buy It Now $0 Shipping Condition New Location Perry,MI,USA 00' Yamaha SRX 700 CDI Unit #8DN Item #231 $ 0Large selection of parts for your 1980 Yamaha SRX440D Snowmobile Fast, fair shipping Home Snowmobile Yamaha 1980 Std Yamaha 440 SRX 70 SSR 2697CSM Part # 22M Yours needs 2 Only $9073 Add to Cart Wiseco Piston Rings Wiseco Piston Ring(s) Part # 2697CSM Only $1943 Add to Cart Wiseco Wrist Pins mm (2185" Length) Wiseco Wrist PinHelp Email us 24 hours a day, 7 days a week, 365 days a year Check your order status 24 hours a


Replacement Oem Parts For 1980 Yamaha Srx 440


Replacement Oem Parts For 1980 Yamaha Srx 440
1980 1980 Yamaha SRX440 Engine Parts Timing Gears & Chains Pistons, Rings, ConnectingFavourite $ 1981 Yamaha 440 SRX Cylinder Ottawa 16/03/21 For Sale 1981 Yamaha 440 SRX Cylinder in good condition This item does show some scoring in the barrel It likely needs to be rechromed orCurrent current SRX440D 1980;


Yamaha Srx Parts Order Genuine Spare Parts Online At Cmsnl


Vintage Yamaha Srx 440
Piston Ring Sets Pistons / Restoration Parts Wiseco Piston Ring Sets High quality Wiseco Rings that fit on your stock Yamaha pistons SRX 440 – $30/ringshipping 1973 SR 433 w/Chrome Bore – $15/ringShipping 1973 GPX 433 GYT (Kit) – $15/ringShipping


Replacement Oem Parts For 1980 Yamaha Srx 440


Yamaha Srx440 1976 Parts Lists And Schematics


Flashback The 1980 Yamaha Srx Snowgoer


Replacement Oem Parts For 1980 Yamaha Srx 440


Yamaha Srx Parts Order Genuine Spare Parts Online At Cmsnl


Vintage Yamaha Snowmobile Parts Koch S Performance


Yamaha Srx440 Fuel Parts Lines Pumps Caddies Injectors Gas Cans Powersportsid Com


1980 Yamaha Srx 440 Revival Part 8 Youtube


80 Yamaha Srx 440 Snowmobile Poster Beat Thy Neighbor


Sell Yamaha Srx 440 Front Bumper In Essexville Michigan United States For Us 50 00


1980 Yamaha Srx 440 Left Or Right Cylinder Jug Core For Parts Not Working Ebay


Find Yamaha Srx 440 Bellypan In Essexville Michigan United States For Us 50 00


Snowmobile Parts For 1979 Yamaha Srx440 For Sale Ebay


Replacement Oem Parts For 1980 Yamaha Srx 440


Snowmobile Engines Components Open Box 1978 1980 Yamaha Srx440 Wiseco Piston Kit Yamaha 440 Srx 78 80 Ssr 2697 Snowmobile Engine Components Nuntiusbrokers Com


Yamaha Srx440d 1980 Carburetor Buy Original Carburetor Spares Online


1981 Yamaha Srx 440 Part 1 Youtube


Replacement Oem Parts For 1980 Yamaha Srx 440


1980 Yamaha Srx 440 Revival Part 10 Youtube


Yamaha Ss 440 Snowmobile Parts Discount Oem Snowmobile Parts


Snowmobile Parts For Yamaha Srx440 For Sale Ebay


Replacement Oem Parts For 1980 Yamaha Srx 440


Wrist Pin Bearing 1978 1980 Yamaha Srx 440 933 103 G0 Snowmobile Engines Components Auto Parts And Vehicles


Srx Models


Snowmobile Parts For 1980 Yamaha Srx440 For Sale Ebay


Yamaha Srx440d 1980 Parts Lists And Schematics


1977 Yamaha Srx For Sale Randalschweitze S Blog


00 Yamaha Collar 3 52 Adeptpowersports


1980 Yamaha Srx 440e Page 1 Line 17qq Com


0 00 V Belt Ex340 440 Srx440 Snowmobil


Yamaha Srx 440 Light Weights Parts Page 5 Line 17qq Com


Yamaha Exciter 440 Vintage Snowmobile Engine Airbox Intake Boot Vintage Race Parts Accessories Greatrace Com


Yamaha Srx 440 Light Weights Parts Page 1 Line 17qq Com


1980 Srx 440 Vintage Sled Snowmobile My Ride


Sell 1980 Yamaha 440 Exciter Snowmobile Complete Slide Rail Suspension In Noblesville Indiana United States


Snowmobile Parts For 1980 Yamaha Srx440 For Sale Ebay


Garage Nerd Quick Start Up Of The 1980 Yamaha Srx 440


Replacement Oem Parts For 1980 Yamaha Srx 440


Replacement Oem Parts For 1980 Yamaha Srx 440


Snowmobile Body Parts For Yamaha Srx440 For Sale Ebay


Snowmobile Parts For 1981 Yamaha Srx440 For Sale Ebay


Yamaha 1980 Yamaha Srx 440 In Snowmobile Parts Ebay


Yamaha 1980 Yamaha Srx 440 In Snowmobile Parts Ebay


Yamaha 1980 Yamaha Srx 440 In Snowmobile Parts Ebay


Yamaha Srx440d 1980 Parts Lists And Schematics


Yamaha Srx 440 Light Weights Parts Page 5 Line 17qq Com


1980 Yamaha Srx 440 Revival Part 14 1979 Srx 440 Parts Sled Youtube


Sell Nice 1978 1980 Yamaha Srx Gauge Panel With Gauges Speedo Tach Temp Gauge In Boulder Junction Wisconsin United States


1980 Yamaha Srx 440 For Sale 1980 Yamaha Srx 440 For Sale This Snowmobile Has Been Sold Youtube


Snowmobile Parts For Yamaha Srx340 For Sale Ebay


Yamaha Srx 440 Light Weights Parts Page 1 Line 17qq Com


Wrist Pin Bearing 1978 1980 Yamaha Srx 440 933 103 G0 Snowmobile Engines Components Auto Parts And Vehicles


Yamaha Srx440d 1980 Parts Lists And Schematics


1976 1980 Yamaha Srx 340 Srx 440 Oem Waterpump Asm Housing Pump 8a7 Vtg Srx Ebay


Replacement Oem Parts For 1980 Yamaha Srx 440


1980 Yamaha Srx 440 Revival Part 1 Youtube


Snowmobile Parts For 1979 Yamaha Srx440 For Sale Ebay


1980 Yamaha Srx 440 Tuning Youtube


Replacement Oem Parts For 1980 Yamaha Srx 440


34 Vintage Sleds Ideas In 21 Vintage Sled Sleds Snowmobile


Yamaha Srx 440 Light Weights Parts Page 1 Line 17qq Com


Yamaha Srx440 1976 Parts Lists And Schematics


Snowmobile Parts For 1981 Yamaha Srx440 For Sale Ebay


Yamaha 1980 Srx 440 Youtube


Yamaha Srx 440 Light Weights Parts Page 5 Line 17qq Com


Flashback The 1980 Yamaha Srx Snowgoer


Yamaha 1976 Exciter Ex440 Hood Hinge Part Ex 440 340 1977 1978 1979 1980 Srx Ebay

コメント
コメントを投稿